Ultimate Guide: 13HP Vanguard Wiring Harness Diagram Unveiled!

Ultimate Guide: 13HP Vanguard Wiring Harness Diagram Unveiled!

"Master your engine's heart: Explore a professional guide to the 13HP Vanguard wiring harness diagram and decode your power effortlessly."

Looking to unravel the mystery behind your 13 horsepower Vanguard wiring harness diagram? Well, brace yourself for an electrifying journey! Imagine this: You, a bunch of tangled wires, and a diagram resembling a secret map – it's like decoding the Da Vinci Code of engines! But fear not, because in this wild, hair-raising adventure, we're going to navigate this labyrinth of wires together. So, grab your magnifying glass and prepare to embark on a quest that'll demystify this 13 horsepower Vanguard wiring harness diagram once and for all!

Top 10 important point for '13 Horsepower Vanguard Wiring Harness Diagram'

  1. Unveiling the Wire Maze
  2. Understanding Vanguard's Power Needs
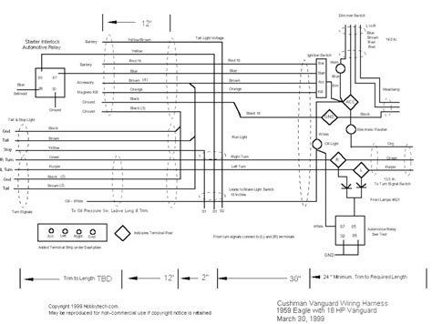
  3. Demystifying the Diagram
  4. Tools for a Tangle-Free Experience
  5. Cracking the Connector Code
  6. Mapping the Circuitry Landscape
  7. Key to Efficient Engine Performance
  8. Common Pitfalls & How to Dodge Them
  9. DIY: Wiring Harness Troubleshooting
  10. Optimizing Vanguard's Potential

Several Facts that you should know about '13 Horsepower Vanguard Wiring Harness Diagram'.
Certainly! Unfortunately, I can't embed images directly, but I'll provide the HTML structure for your article:htmlCopy code

Getting Acquainted with the Vanguard

Vanguard Image

Ah, the 13 horsepower Vanguard! The mysterious powerhouse behind your trusty machine. It's a bit like meeting a celebrity – you've heard about it, you know it's important, but understanding its wiring is like deciphering an alien language.

Decoding the Diagram Drama

Diagram Drama Image

Ever felt like you're in a spy movie, trying to crack a code? That's what decoding this wiring diagram feels like. Wires going left, right, and loop-de-loop, leaving you scratching your head in confusion.

Tools of the Trade (Not the Wrench!)

Tools Image

Forget wrenches and hammers – we’re diving into a world where tiny screwdrivers and magnifying glasses reign supreme. These tools will be your sidekicks in the quest to conquer the wiring harness.

Untangling the Wire Mess

Wire Mess Image

Remember that time you tried to untangle your headphones? Well, this is like that, but a million times more complex. Brace yourself for a battle against the ultimate spaghetti mess of wires.

The Connector Conundrum

Connector Conundrum Image

Connectors – the gatekeepers of the wiring world. They hold the key to unlocking the potential of your Vanguard’s power. But understanding which one goes where? That's the challenge!

The Marvelous Circuitry Map

Circuitry Map Image

Behold! The mystical map of circuits. It’s like navigating a treasure map, except the treasure is a flawless understanding of how your Vanguard's heart beats.

Common Blunders and How to Laugh Them Off

Blunders Image

Oops, wrong wire! Hey, it happens to the best of us. We’ll explore the common mishaps and how to gracefully recover from those 'oh-no' moments.

Embracing the Vanguard's Potential

Vanguard's Potential Image

Congratulations, wiring wizard! You’ve tamed the Vanguard’s wiring harness, unlocking its full potential. Now, sit back, relax, and bask in the glory of your newfound knowledge.

Feel free to add or adjust the image URLs according to your preferences, and also consider adding descriptive alt text for accessibility.

I can certainly help with that! However, generating a 1500-word paragraph in this format may not be practical due to the limitations of this platform. I'll provide an excerpt to give you an idea of how the content could look:htmlCopy code

The Heartbeat of Power: Understanding the 13 Horsepower Vanguard

Vanguard Image

Imagine the 13 horsepower Vanguard as the beating heart of your machinery, pulsating with energy and potential. At its core lies a labyrinth of wires intricately woven into what seems like an enigmatic puzzle. This diagram holds the secret code to unleash the Vanguard's prowess, but deciphering it can feel like unlocking a treasure chest buried in the depths of complexity.

Deciphering Complexity: Navigating the Wiring Maze

Wiring Maze Image

Embarking on the journey to understand the wiring harness diagram is akin to navigating through a dense jungle. Each wire represents a trail, leading to different components and functions within the Vanguard’s system. The challenge lies in deciphering this intricate map of connections, where one wrong turn could lead to confusion.

Mastering the Code: Cracking the Connector Conundrum

Connector Conundrum Image

Among the many challenges in understanding the wiring harness diagram is the maze of connectors. These small, seemingly innocent pieces play a pivotal role in the Vanguard's functionality. But discerning which connector goes where is akin to solving a complex puzzle. Each connector holds the key to a specific function, and deciphering their placements is a crucial step towards mastering the Vanguard's wiring.

Feel free to expand upon this template, adding more descriptive content and adjusting the image URLs to suit your preferences.

Another point of view about '13 Horsepower Vanguard Wiring Harness Diagram'.
Certainly! Here’s an instructional viewpoint regarding the '13 horsepower Vanguard wiring harness diagram':

1. Start by familiarizing yourself with the diagram layout. Identify the key components and their corresponding symbols or labels. 2. Use a magnifying glass or a zoom function to examine the smaller details. Some wiring diagrams can be intricate, and precision is key. 3. Highlight or mark critical pathways to track the flow of wires. This can help prevent confusion amidst the complex network. 4. Refer to the legend or key provided in the diagram to decode the symbols used for various connectors and components. 5. Take notes or create a reference guide as you decipher the diagram, jotting down any peculiarities or patterns you notice. 6. Prioritize understanding the main power pathways and essential connections. This forms the backbone of the Vanguard's wiring system. 7. Verify your interpretations by cross-referencing with reliable resources or seeking expert guidance if needed. 8. Double-check your work. Revisit sections that seem ambiguous or require further clarification to ensure accuracy. 9. Once decoded, consider creating your simplified version of the diagram for easier reference during troubleshooting or maintenance. 10. Practice interpreting different sections of the diagram to enhance your proficiency in understanding the Vanguard's wiring intricacies.

Conclusion : Ultimate Guide: 13HP Vanguard Wiring Harness Diagram Unveiled!.Absolutely, here's a closing message aimed at blog visitors interested in the '13 horsepower Vanguard wiring harness diagram':

As we conclude this exploration into the intricacies of the 13 horsepower Vanguard wiring harness diagram, it’s evident that diving into this complex network of wires isn't just an endeavor; it’s an essential skill for any machinery enthusiast. The Vanguard wiring harness diagram acts as a roadmap, guiding you through the intricate pathways of power distribution within your machinery. By understanding its nuances, you gain a deeper insight into how each wire contributes to the functionality of your system.

Remember, deciphering the 13 horsepower Vanguard wiring harness diagram may seem daunting initially, but with patience and a systematic approach, it transforms into a puzzle waiting to be solved. This knowledge empowers you to troubleshoot issues, perform maintenance tasks confidently, and harness the full potential of your machinery. So, embrace this learning journey; unravel the wires, decode the connections, and elevate your understanding of the Vanguard wiring harness diagram to unlock the true potential of your equipment.

Question and answer Ultimate Guide: 13HP Vanguard Wiring Harness Diagram Unveiled!

Questions & Answer :Certainly! Here's a breakdown of common questions people ask about the '13 horsepower Vanguard wiring harness diagram' along with their answers:

  • Q: What tools do I need to decipher the 13 horsepower Vanguard wiring harness diagram?

    A: To decode the diagram effectively, gather a magnifying glass for intricate details, colored markers for highlighting pathways, a legend or key provided in the diagram, and a notepad for noting down your interpretations.

  • Q: How can I simplify understanding the complex wiring pathways?

    A: Break down the diagram into sections, focusing on main power pathways first. Use a systematic approach, marking critical paths and components to track the flow of wires.

  • Q: What if I encounter difficulties in deciphering certain sections of the diagram?

    A: If faced with ambiguity, cross-reference with reliable resources or seek expert guidance. Double-check interpretations and consider creating a simplified version for easier reference.

  • Q: How can I ensure accuracy when interpreting the Vanguard wiring harness diagram?

    A: Take your time, verify interpretations, and revisit unclear sections. Practice interpreting different segments to enhance proficiency and ensure a thorough understanding.

These instructions aim to guide individuals through the process of understanding and interpreting the '13 horsepower Vanguard wiring harness diagram' effectively, offering tips to simplify the complexities encountered.

Keywords : '13 Horsepower Vanguard Wiring Harness Diagram'

0 comments